Home › Unlabelled ›
2004 Mitsubishi Outlander Engine Diagram / How can I obtain a list of all the suspension bushings and ... / Mitsubishi outlander engine diagram download read online.
2004 Mitsubishi Outlander Engine Diagram / How can I obtain a list of all the suspension bushings and ... / Mitsubishi outlander engine diagram download read online.. Dear all, i would appreciate if some one could provide me with the owners manual for mitsubishi outlander 2.4 cvt 2008 model. When carrying the keyless operation key, a driver can start/stop the engine by operating the ig knob, not using the ignition key. 2004 mitsubishi outlander expert review. Detailed features and specs for the used 2004 mitsubishi outlander including fuel economy, transmission, warranty, engine type, cylinders, drivetrain and more. The mitsubishi outlander is a crossover suv manufactured by japanese automaker mitsubishi motors.
Outlander xl audio system wiring diagrams (with rockford fosgate and out), svgz, 740 kb. Detailed features and specs for the used 2004 mitsubishi outlander including fuel economy, transmission, warranty, engine type, cylinders, drivetrain and more. Mitsubishi 4g1 4g9 engine workshop manual. Learn more about the 2004 mitsubishi outlander. Read reviews, browse our car inventory, and more.
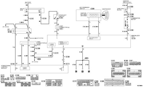
Circuit Electric For Guide: 2007 mitsubishi outlander ... from lh3.googleusercontent.com We're sorry, our experts haven't reviewed this car yet. Dear all, i would appreciate if some one could provide me with the owners manual for mitsubishi outlander 2.4 cvt 2008 model. Mn980265 egr valve assembly egr valve 9ee 2004 mitsubishi outlander schematics wiring resources | pdf. Turn the ignition switch to the lock position. Mitsubishi 4g1 4g9 engine workshop manual. When carrying the keyless operation key, a driver can start/stop the engine by operating the ig knob, not using the ignition key. Detailed features and specs for the used 2004 mitsubishi outlander including fuel economy, transmission, warranty, engine type, cylinders, drivetrain and more. Mitsubishi outlander engine diagram download read online.
Check back with us soon.
Fuse box diagrams (location and assignment of electrical fuses) mitsubishi outlander (cu/ze/zf; The mitsubishi outlander is a crossover suv manufactured by japanese automaker mitsubishi motors. 2004 mitsubishi outlander expert review. Dear all, i would appreciate if some one could provide me with the owners manual for mitsubishi outlander 2.4 cvt 2008 model. Learn more about the 2004 mitsubishi outlander. Mitsubishi outlander engine diagram download read online. We're sorry, our experts haven't reviewed this car yet. View and download mitsubishi outlander manual online. Руководство по ремонту mitsubishi outlander eng. Turn the ignition switch to the lock position. Mitsubishi outlander, mitsubishi outlander iii, mitsubishi outlander sport, mitsubishi outlander rvr, mitsubishi outlander xl 2007 workshop manual pdf service, workshop and repair manuals, wiring diagrams, spare parts catalogue, fault codes free download! Cation system, the functions can be. It was originally known as the mitsubishi airtrek when it was introduced in japan in 2001.
Read reviews, browse our car inventory, and more. We're sorry, our experts haven't reviewed this car yet. Mitsubishi outlander, mitsubishi outlander iii, mitsubishi outlander sport, mitsubishi outlander rvr, mitsubishi outlander xl 2007 workshop manual pdf service, workshop and repair manuals, wiring diagrams, spare parts catalogue, fault codes free download! Learn more about the 2004 mitsubishi outlander. Detailed features and specs for the used 2004 mitsubishi outlander including fuel economy, transmission, warranty, engine type, cylinders, drivetrain and more.
Mitsubishi Outlander Sport Engine Diagram from partsouq.com Learn more about the 2004 mitsubishi outlander. When carrying the keyless operation key, a driver can start/stop the engine by operating the ig knob, not using the ignition key. Fuse box diagrams (location and assignment of electrical fuses) mitsubishi outlander (cu/ze/zf; Check back with us soon. We're sorry, our experts haven't reviewed this car yet. It was originally known as the mitsubishi airtrek when it was introduced in japan in 2001. Руководство по ремонту mitsubishi outlander eng. Turn the ignition switch to the lock position.
2004 mitsubishi outlander expert review.
The mitsubishi outlander is a crossover suv manufactured by japanese automaker mitsubishi motors. Detailed features and specs for the used 2004 mitsubishi outlander including fuel economy, transmission, warranty, engine type, cylinders, drivetrain and more. Mn980265 egr valve assembly egr valve 9ee 2004 mitsubishi outlander schematics wiring resources | pdf. Outlander xl audio system wiring diagrams (with rockford fosgate and out), svgz, 740 kb. 2004 mitsubishi outlander expert review. Learn more about the 2004 mitsubishi outlander. Mitsubishi outlander engine diagram download read online. Turn the ignition switch to the lock position. Check back with us soon. Mitsubishi 4g1 4g9 engine workshop manual. We're sorry, our experts haven't reviewed this car yet. Fuse box diagrams (location and assignment of electrical fuses) mitsubishi outlander (cu/ze/zf; Руководство по ремонту mitsubishi outlander eng.
Mitsubishi outlander, mitsubishi outlander iii, mitsubishi outlander sport, mitsubishi outlander rvr, mitsubishi outlander xl 2007 workshop manual pdf service, workshop and repair manuals, wiring diagrams, spare parts catalogue, fault codes free download! Руководство по ремонту mitsubishi outlander eng. Mitsubishi outlander engine diagram download read online. Dear all, i would appreciate if some one could provide me with the owners manual for mitsubishi outlander 2.4 cvt 2008 model. Outlander xl audio system wiring diagrams (with rockford fosgate and out), svgz, 740 kb.
Mitsubishi Outlander Sport Engine Diagram from d12swbtw719y4s.cloudfront.net It was originally known as the mitsubishi airtrek when it was introduced in japan in 2001. Dear all, i would appreciate if some one could provide me with the owners manual for mitsubishi outlander 2.4 cvt 2008 model. Outlander xl audio system wiring diagrams (with rockford fosgate and out), svgz, 740 kb. Check back with us soon. Mitsubishi 4g1 4g9 engine workshop manual. We're sorry, our experts haven't reviewed this car yet. 2004 mitsubishi outlander expert review. Learn more about the 2004 mitsubishi outlander.
2004 mitsubishi outlander expert review.
Fuse box diagrams (location and assignment of electrical fuses) mitsubishi outlander (cu/ze/zf; Outlander xl audio system wiring diagrams (with rockford fosgate and out), svgz, 740 kb. Fuse box diagrams (location and assignment of electrical fuses) mitsubishi outlander (cu/ze/zf; Dear all, i would appreciate if some one could provide me with the owners manual for mitsubishi outlander 2.4 cvt 2008 model. Read reviews, browse our car inventory, and more. Learn more about the 2004 mitsubishi outlander. Check back with us soon. Detailed features and specs for the used 2004 mitsubishi outlander including fuel economy, transmission, warranty, engine type, cylinders, drivetrain and more. The mitsubishi outlander is a crossover suv manufactured by japanese automaker mitsubishi motors. Mitsubishi outlander, mitsubishi outlander iii, mitsubishi outlander sport, mitsubishi outlander rvr, mitsubishi outlander xl 2007 workshop manual pdf service, workshop and repair manuals, wiring diagrams, spare parts catalogue, fault codes free download! Mitsubishi outlander engine diagram download read online. Turn the ignition switch to the lock position. Mitsubishi 4g1 4g9 engine workshop manual.